
BJBL600B
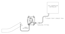
EPG Breakout Box, NEMA 4X non-metallic enclosure, junction box for 1 ea. level sensor. Includes desiccant dryer, bellows, and SureSeal connectors.
Installation
Click Photo to Enlarge

For more information, please call EPG Companies Inc. at 1-800-443-7426
Since 1985, EPG Companies Inc. has designed and manufactured pollution control systems and equipment being used worldwide in various landfill, remediation, water and wastewater and industrial applications. With over 12,000 installations, EPG has become the choice among thousands of environmental professionals.
In addition to manufacturing superior, trouble-free equipment, EPG Companies conducts annual pumps and controls service school designed to help develop knowledge, expertise and troubleshooting ability. Our classes are applicable to all who are involved with the design, installation, and maintenance of Liquid or Gas Handling Systems, Remediation Systems and/or SCADA and Data Acquisition Systems.
Copyright © EPG Companies Inc. All rights reserved.